Eko šliaužynės WD1442 R
1,599.00€
Turime
Produkto kodas:
WD1442
Kategorijos: Darželiui, Ekologiška lauko įranga
Aprašymas
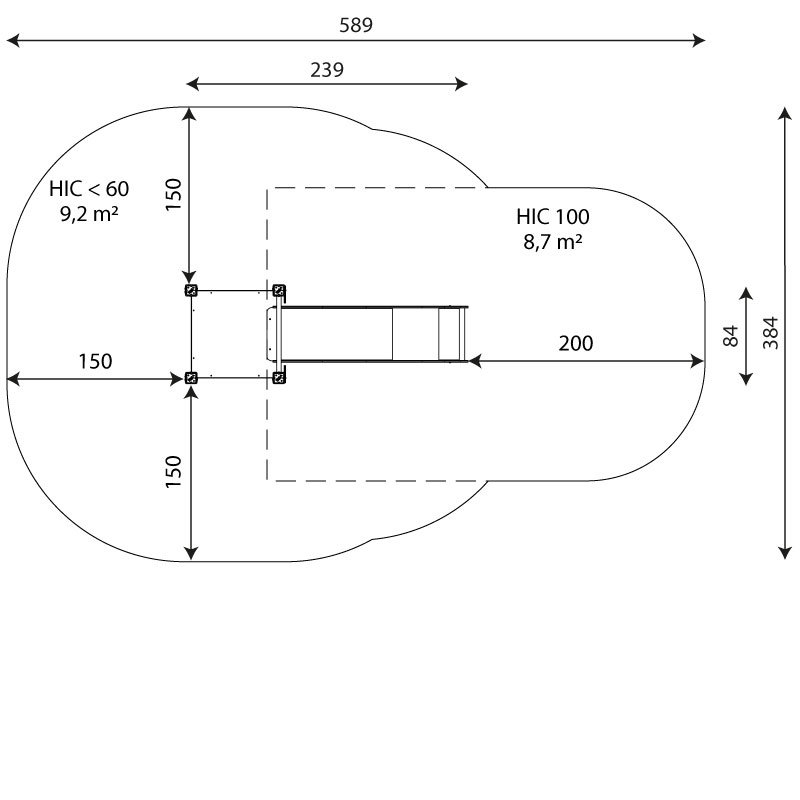
Ilgis 239 cm
Plotis 84 cm
Bendras aukštis 201 cm
Amžiaus grupė 3 – 14 metų
Naudotojų skaičius 3 vaikai
Saugos zona 17,9 m2
Laisvo kritimo aukštis <60 cm
Platformų aukštis 35 cm
Pagal normą EN 1176-1:2017
Sudėtiniai stulpai
Stulpai pagaminti iš 100 % perdirbtų vartojimo atliekų, daugiausia drabužių.
Klijuotos faneros platformos
Neslystanti, vandeniui atspari fanera, padengta karšto spaudimo fenoline plėvele su korio formos atspaudu ant paviršiaus. Ji turi PFEC sertifikatą.
HDPE plokštės
Žaliosios HDPE plokštės pagamintos iš 100 % perdirbtų vandenynų atliekų, tokių kaip žvejybos tinklai ir virvės.
