Aprašymas
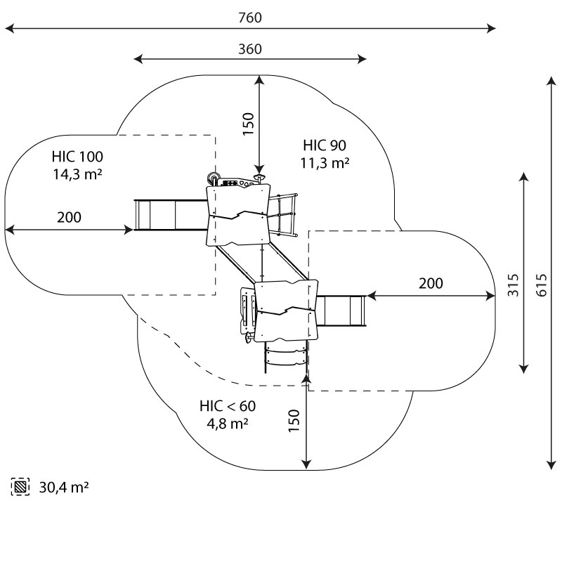
Ilgis 360 cm
Plotis 315 cm
Bendras aukštis 280 cm
Amžiaus grupė 1 – 8 metai
Naudotojų skaičius 14 vaikų
Saugos zona 30,4 m2
Laisvo kritimo aukštis 90 cm
Platformų aukštis 59, 90 cm
Pagal EN standartą 1176-1:2017
Sudėtiniai stulpai
Stulpai pagaminti iš 100 % perdirbtų vartojimo atliekų, daugiausia drabužių.
Klijuotos faneros platformos
Neslystanti, vandeniui atspari fanera, padengta karšto spaudimo fenoline plėvele su korio formos atspaudu ant paviršiaus. Ji turi PFEC sertifikatą.
HDPE plokštės
Žaliosios HDPE plokštės pagamintos iš 100 % perdirbtų vandenynų atliekų, tokių kaip žvejybos tinklai ir virvės.
