Eko laipynės- karstyklės WD1419 R
2,671.00€
Turime
Produkto kodas:
WD1419
Kategorijos: Darželiui, Ekologiška lauko įranga
Aprašymas
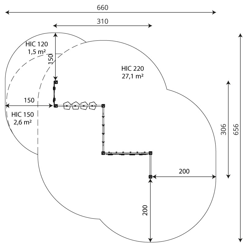
Ilgis 310 cm
Plotis 306 cm
Bendras aukštis 230 cm
Amžiaus grupė 3 – 14 metų
Naudotojų skaičius 11 vaikų
Saugos zona 31,2 m2
Laisvo kritimo aukštis 220 cm
Pagal EN standartą 1176-1:2017
Sudėtiniai stulpai
Stulpai pagaminti iš 100 % perdirbtų vartojimo atliekų, daugiausia drabužių.
Klijuotos faneros platformos
Neslystanti, vandeniui atspari fanera, padengta karšto spaudimo fenoline plėvele su korio formos atspaudu ant paviršiaus. Ji turi PFEC sertifikatą.
HDPE plokštės
Žaliosios HDPE plokštės pagamintos iš 100 % perdirbtų vandenynų atliekų, tokių kaip žvejybos tinklai ir virvės.
