Aprašymas
Ilgis 218 cm
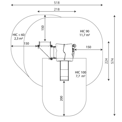
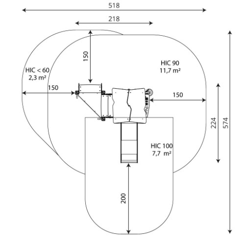
Plotis 224 cm
Bendras aukštis 277 cm
Amžiaus grupė 1 – 8 metai
Naudotojų skaičius 9 vaikai
Saugos zona 21,7 m2
Laisvo kritimo aukštis 90 cm
Platformų aukštis 40, 90 cm
nusileidimo platformos aukštis 90 cm
Pagal normą EN 1176-1:2017
Sudėtiniai stulpai
Stulpai pagaminti iš 100 % perdirbtų vartojimo atliekų, daugiausia drabužių.
Klijuotos faneros platformos
Neslystanti, vandeniui atspari fanera, padengta karšto spaudimo fenoline plėvele su korio formos atspaudu ant paviršiaus. Ji turi PFEC sertifikatą.
HDPE plokštės
Žaliosios HDPE plokštės pagamintos iš 100 % perdirbtų vandenynų atliekų, tokių kaip žvejybos tinklai ir virvės.
