Dvivietis spyruokliukas Policijos automobilis 0630 R
1,334.00€
Turime
Produkto kodas:
0630
Kategorija: Ekologiška lauko įranga
Aprašymas
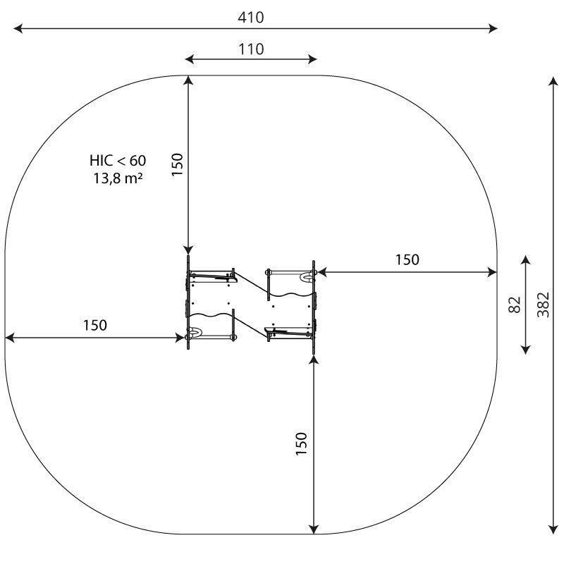
Ilgis 110 cm
Plotis 82 cm
Bendras aukštis 82 cm
Amžiaus grupė 1 – 12 metų
Naudotojų skaičius 2 vaikai
Saugos zona 13.8 m2
Laisvo kritimo aukštis <60 cm
Pagal standartą EN 1176-1:2017
Sudėtiniai stulpai
Stulpai pagaminti iš 100 % perdirbtų vartojimo atliekų, daugiausia drabužių.
Klijuotos faneros platformos
Neslystanti, vandeniui atspari fanera, padengta karšto spaudimo fenoline plėvele su korio formos atspaudu ant paviršiaus. Ji turi PFEC sertifikatą.
HDPE plokštės
Žaliosios HDPE plokštės pagamintos iš 100 % perdirbtų vandenynų atliekų, tokių kaip žvejybos tinklai ir virvės.
